次数 动作 B原方向 Φ原变化 B感方向 B原和B感方向关系 1 N向下插入 向下 变大 向上 相反 2 N向下抽出 向下 变小 向下 相同 3 S向下插入 向上 变大 向下 相反 4 S向上抽出 向上 变小 向上 相同 实验记录:
总结规律:原磁通变大,则感应电流磁场与原磁场相反,有阻碍变大作用
原磁通变小,则感应电流磁场与原磁场相同,有阻碍变小作用
二、楞次定律
1、 定律:感应电流具有这样的方向,即感应电流的磁场总要阻碍引起感应电流的磁 通量的变化
2、 理解:
⑴阻碍既不是阻止也不等于反向,增反减同
"阻碍"又称作"反抗",注意不是阻碍原磁场而阻碍原磁场的变化
⑵注意两个磁场:原磁场和感应电流磁场
⑶从相对运动角度来看,阻碍也可理解成阻碍相对运动
分析螺线管的N、S极,"你来我不让你来,你走我不让你走"
⑷感应电流的方向即感应电动势的方向
⑸阻碍的过程中,即一种能向另一种转化的过程
例:上述实验中,若条形磁铁是自由落体,则磁铁下落过程中受到向上的阻力,即机械能→电能→内能
3、应用楞次定律步骤:
(1)明确原磁场的方向;
(2)明确穿过闭合回路的磁通量是增加还是减少;
(3)根据楞次定律(增反减同),判定感应电流的磁场方向;
(4)利用安培定则判定感应电流的方向。
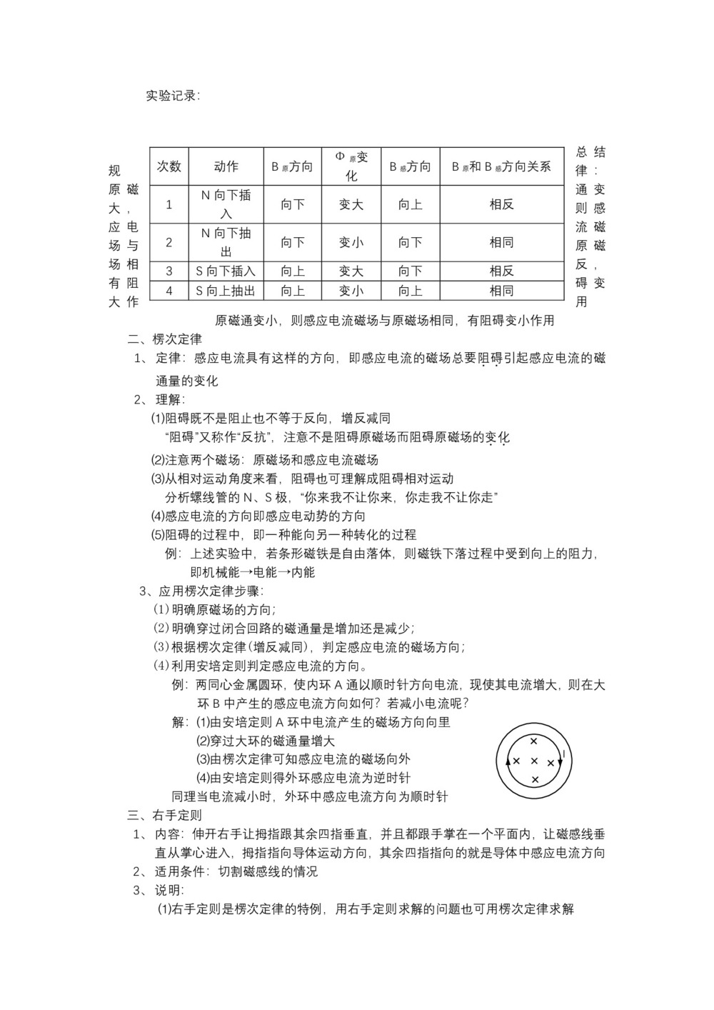
例:两同心金属圆环,使内环A通以顺时针方向电流,现使其电流增大,则在大环B中产生的感应电流方向如何?若减小电流呢?
解:⑴由安培定则A环中电流产生的磁场方向向里
⑵穿过大环的磁通量增大
⑶由楞次定律可知感应电流的磁场向外
⑷由安培定则得外环感应电流为逆时针
同理当电流减小时,外环中感应电流方向为顺时针
三、右手定则
1、 内容:伸开右手让拇指跟其余四指垂直,并且都跟手掌在一个平面内,让磁感线垂直从掌心进入,拇指指向导体运动方向,其余四指指向的就是导体中感应电流方向
2、 适用条件:切割磁感线的情况
3、 说明:
⑴右手定则是楞次定律的特例,用右手定则求解的问题也可用楞次定律求解
例:分别用右手定则和楞次定律判断
通过电流表的电流方向(课本P204(3))
