2019-2020学年度粤教版选修3-2 2.6变压器 教案(5)
2019-2020学年度粤教版选修3-2 2.6变压器 教案(5)第3页

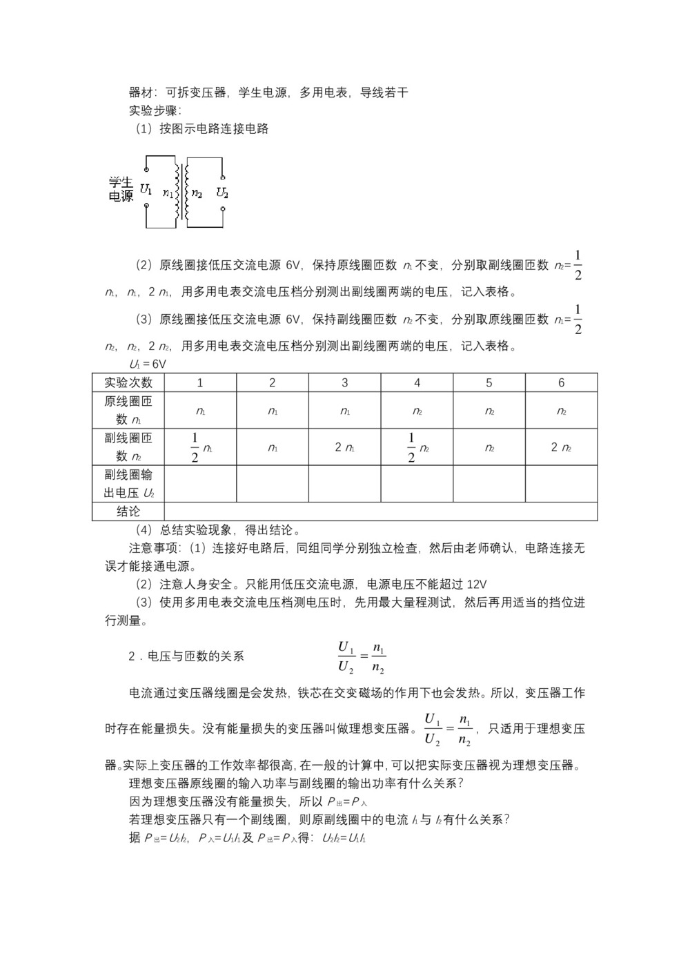
  器材:可拆变压器,学生电源,多用电表,导线若干

  实验步骤:

  (1)按图示电路连接电路

  (2)原线圈接低压交流电源6V,保持原线圈匝数n1不变,分别取副线圈匝数n2=n1,n1,2 n1,用多用电表交流电压档分别测出副线圈两端的电压,记入表格。

  (3)原线圈接低压交流电源6V,保持副线圈匝数n2不变,分别取原线圈匝数n1=n2,n2,2 n2,用多用电表交流电压档分别测出副线圈两端的电压,记入表格。

  U1=6V

实验次数 1 2 3 4 5 6 原线圈匝数n1 n1 n1 n1 n2 n2 n2 副线圈匝数n2 n1 n1 2 n1 n2 n2 2 n2 副线圈输出电压U2 结论   (4)总结实验现象,得出结论。

  注意事项:(1)连接好电路后,同组同学分别独立检查,然后由老师确认,电路连接无误才能接通电源。

  (2)注意人身安全。只能用低压交流电源,电源电压不能超过12V

  (3)使用多用电表交流电压档测电压时,先用最大量程测试,然后再用适当的挡位进行测量。

  2.电压与匝数的关系

  电流通过变压器线圈是会发热,铁芯在交变磁场的作用下也会发热。所以,变压器工作时存在能量损失。没有能量损失的变压器叫做理想变压器。,只适用于理想变压器。实际上变压器的工作效率都很高,在一般的计算中,可以把实际变压器视为理想变压器。

  理想变压器原线圈的输入功率与副线圈的输出功率有什么关系?

  因为理想变压器没有能量损失,所以P出=P入

  若理想变压器只有一个副线圈,则原副线圈中的电流I1与I2有什么关系?

  据P出=U2I2,P入=U1I1及P出=P入得:U2I2=U1I1

则: