2019-2020学年鲁科版必修2 第2章第3节第2课时 化学反应为人类提供能量 作业
2019-2020学年鲁科版必修2 第2章第3节第2课时 化学反应为人类提供能量 作业第2页

  B.正极为C,负极为Fe,电解质溶液为Fe(NO3)3溶液

  C.正极为Cu,负极为Fe,电解质溶液为Fe2(SO4)3溶液

  D.正极为Ag,负极为Fe,电解质溶液为CuSO4溶液

  解析:选D。由2Fe3++Fe===3Fe2+和原电池的构成条件可知原电池的电解质溶液为含Fe3+的盐溶液,负极为Fe,正极为活动性比Fe弱的金属或能导电的非金属。

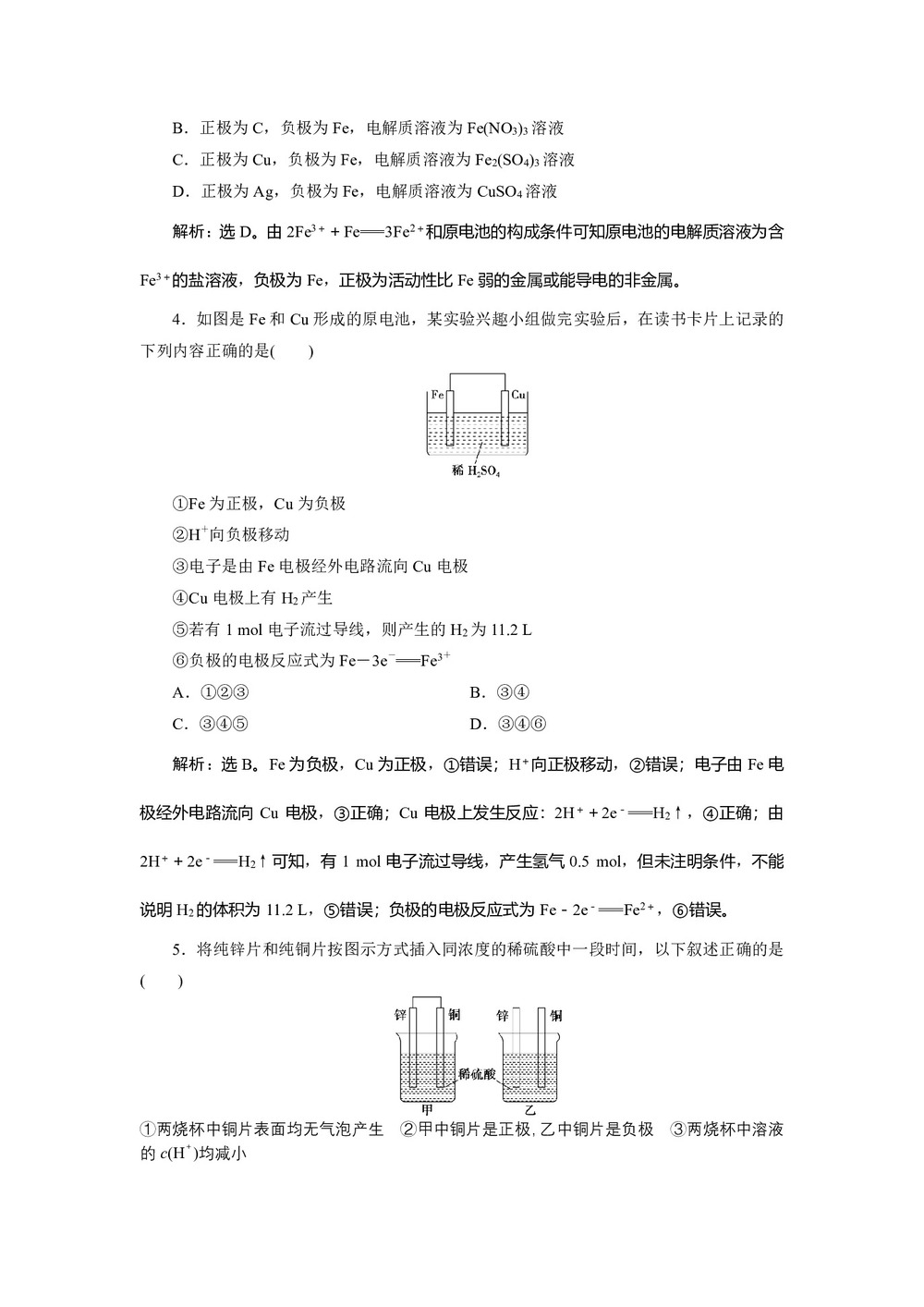
  4.如图是Fe和Cu形成的原电池,某实验兴趣小组做完实验后,在读书卡片上记录的下列内容正确的是(  )

  

  ①Fe为正极,Cu为负极

  ②H+向负极移动

  ③电子是由Fe电极经外电路流向Cu电极

  ④Cu电极上有H2产生

  ⑤若有1 mol电子流过导线,则产生的H2为11.2 L

  ⑥负极的电极反应式为Fe-3e-===Fe3+

  A.①②③ B.③④

  C.③④⑤ D.③④⑥

  解析:选B。Fe为负极,Cu为正极,①错误;H+向正极移动,②错误;电子由Fe电极经外电路流向Cu电极,③正确;Cu电极上发生反应:2H++2e-===H2↑,④正确;由2H++2e-===H2↑可知,有1 mol电子流过导线,产生氢气0.5 mol,但未注明条件,不能说明H2的体积为11.2 L,⑤错误;负极的电极反应式为Fe-2e-===Fe2+,⑥错误。

  5.将纯锌片和纯铜片按图示方式插入同浓度的稀硫酸中一段时间,以下叙述正确的是(  )

  

①两烧杯中铜片表面均无气泡产生 ②甲中铜片是正极,乙中铜片是负极 ③两烧杯中溶液的c(H+)均减小